网站导航

Product

主页产品传感器光电传感器 › OJ-1101

光电传感器 OJ-1101

  • OJ-1101

光电传感器OJ-1101属于断继器型,,由光敏IC输出,可用PCB板安装。光学传感器OJ-1101可用于自动售货机、测量设备、医疗设备、娱乐设备等。

特点

  • 光敏IC输出, 内置施密特触发电路
  • 感应槽宽度3mm(0.12英寸)
  • 与TTL、LSTTL、COMS直接相容
  • 反向输出模式可用
  • 供给电压范围(4.5V to 16VDC)
  • PCB 板安装
  • 微型化
  • 高灵敏度
  • 断继器型
我要询价 致动器选择

规格参数

感应槽宽度 3mm
缝隙宽度 0.5mm
输出类型 光敏IC
尺寸(L x W x H) 13 x 6 x 9mm

 

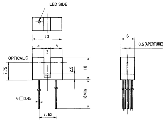
外形尺寸

光电传感器(光学传感器)OJ-1101尺寸规格

 

针脚图(仰视)

原理电路

光电传感器(光学传感器)OJ-1101针脚图(仰视) 光电传感器(光学传感器)OJ-1101原理电路

 

典型性能曲线

IF-Ta IF-VF Relative IFLH, IFLH-Ta
光电传感器(光学传感器)OJ-1101典型性能曲线IF-Ta 光电传感器(光学传感器)OJ-1101典型性能曲线IF-VF 光电传感器(光学传感器)OJ-1101典型性能曲线Relative IFLH, IFLH-Ta
VOL-IOL VOL-Ta tpHL, tpLH-IF
光电传感器(光学传感器)OJ-1101典型性能曲线VOL-IOL 光电传感器(光学传感器)OJ-1101典型性能曲线VOL-Ta 光电传感器(光学传感器)OJ-1101典型性能曲线tpHL, tpLH-IF

 

最大额定值

项目 符号
输入 正向电流 IF 50mA
反向电流 VR 5V
输出 电源电压 VCC 16V
输出电流 IO 50mA
集电极功率消耗 PC 250mW
工作温度 Topr -25° ~ +85°C
贮存温度 Tstg -30° ~ +90°C

 

电气特性

项目 符号 条件 最小 典型 最大 单位
输入 正向电压 VF IF=10mA 1.0 1.15 1.3 V
反向电流 IR VR=5V - - 10 µA
输出 工作电源电压范围 VCC   4.5 - 16 V
低水平输出电压 VOL IOL=16mA VCC=5V IF=0 - 0.15 0.4 V
高水平输出电压 VOH IF=21mA VCC=5V 4.0 - - V
低水品电源电流 ICCL IF=0 VCC=5V - 6 15 mA
高水品电源电流 ICCH IF=21mA VCC=5V - 4 10 mA
L-H阀值输入电流 IFLH VCC=5V - 6 15 mA
滞后 IFHL/IFLH VCC=5V - 0.9 -  
开关速度 L-H传播时间 tPLH VCC=5V IF=0<-->21mA RL=280 W - 3 - µS
H-L传播时间 tPHL - 5 -
上涨时间 tr - 0.1 -
回落时间 tf - 0.05 -

 

上一条: OJ-1106
下一条:OJ-1919

相关产品