网站导航

Product

主页产品开关光电开关 › OS-5401

光电开关 OS-5401

  • OS-5401

光电开关OS-5401属于致动器型,由IC(光敏IC)输出,致动方式为平衡锤,主要用于OA设备、自动售货机,复印机,传真机、打印机等设备。

特点

  • 光敏IC输出,内部施密特触发电路
  • 与TTL、LSTTL、CMOS直接相容
  • 致动器型,低致动力(0.4g)
  • 双向致动
  • 微动安装
我要询价 致动器选择

规格参数

致动类型 平衡锤
操作力量 最大0.4g
输出类型 光敏IC
尺寸 (L x W x H) 23.5 X 13 X 22.5mm

 

致动器操作

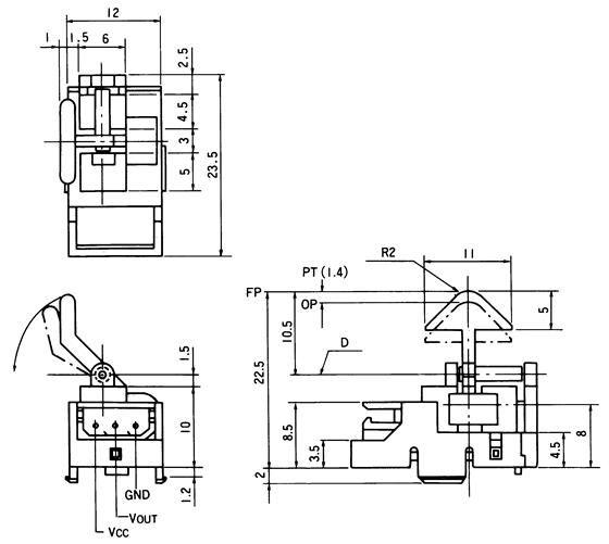
FP 10.5 ± 0.3mm
PT 1.4 ± 0.3mm
OF 0.4g Max

 

外形尺寸

光电开关OS-5401尺寸规格
接线角在顶侧
安装板厚度为1.0mm
单位尺寸为1mm

 

原理电路

典型电路

光电开关OS-5401原理电路 光电开关OS-5401典型电路
*可供应反向输出型号 *可供应开式集电极输出型号

 

PCB固定口

光电开关OS-5401 PCB固定口1.2mm光电开关OS-5401固定口示意
t=1 +/- 0.05 mm
单位尺寸为mm (1mm = 0.0394 inches)

 

最大额定值

项目 符号
电源电压 VCC 6V
输出电压 VOUT VCC+0.5V
输出电流 IOUT 50mA
输出功率消耗 POUT 250mW

 

电气特性

光线通道 项目 符号 条件 最小
开通、致动器工作 无光电流 ICCH 20mA Max  
集电极电流*1 VOH (VCC X 0.9)V Min R=47KW
阻断、
致动器释放
集电极泄漏电流*2 ICCL 20mA Max  
饱和电压 VOL 0.4V Max IOL=16mA

 

机械特性

项目 范围
操作力量 0.4g Max
对震动的抵抗力 10~55Hz, 1.5mm
对冲击的抵抗力 30G
机械寿命 106
工作温度 -20° ~ +75°C
贮存温度 -25° ~ +90°C
安装板厚度 1.2 ± 0.05mm

 

上一条: OS-5901
下一条:OS-1009

相关产品